
VYM-12型户内高压真空断路器(以下简称断路器)是用于三相交流50Hz、12kV电力系统的户内开关设备,作为工矿企业、发电厂及变电站电气设施的控制和保护单元。由于真空断路器的特殊优越性,尤其适用要求额定工作电流的频繁操作,或多次开断短路电流的场所。
本断路器具有可靠的联锁功能,既可以作为手车单元,也可作为固定单元。
序号 | 项目 | 单位 | 数值 | |
1 | 额定电压 | kV | 12 | |
2 | 额定绝缘水平 | 额定雷电冲击耐受电压(峰值) | 75/85(断口) | |
3 | 额定短时工频耐受电压(1min) | 42/48(断口) | ||
4 | 额定频率 | Hz | 50 | |
5 | 额定电流 | A | 630~4000(注1) | |
6 | 额定短路开断电流 | kA | 20、25、31.5、40 | |
7 | 额定短时耐受电流 | 20、25、31.5、40 | ||
8 | 额定峰值耐受电流 | 50、63、80、100 | ||
9 | 额定短路关合电流(峰值) | 50、63、80、100 | ||
10 | 4S热稳定电流 | 20、25、31.5、40 | ||
11 | 额定动稳定电流 | 50、63、80、100 | ||
12 | 额定电容器组关合涌流 | A | 12.5(频率不大于1000Hz) | |
13 | 额定单个/背对背电容器组开断电流 | A | 630/400(40kA为800/400) | |
14 | 额定短路持续时间 | S | 4 | |
15 | 二次回路工频耐受电压 | V | 2000 | |
16 | 额定操作顺序 |
| 分-0.3s-合分-180s-合分 | |
17 | 机械寿命 | 次 | 20000/10000((40kA) | |
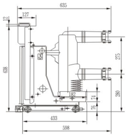
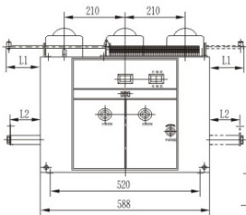
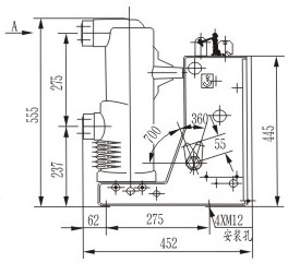
1手车式外形尺寸
注意:1)额定电流为630A的手车断路器,可配Φ35和Φ49两种静触头,应在订货时说明。
2)额定电流为1600A的断路器有多种不同的外形尺寸,请根据实际需要进行选用,并在订货时说明。


图1 VYM-12手车式(相距210mm)外形图
额定电流(A) | 630 | 1250 | 1600 |
额定短路开断电流(kA) | 20、25、31.5 | 25、31.5、40 | 31.5、40 |
配合静触头尺寸(mm) | Φ35 | Φ49 | Φ55 |
相间距离(mm) | 210±1.5 | ||


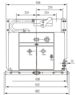
图2 VYM-12手车式(相距275mm)外形图
额定电流(A) | 1600 | 2000 | 2500 | 3150 | 4000 |
额定短路开断电流(kA) | 31.5、40 | 31.5、40 | 40 | ||
配合静触头尺寸(mm) | Φ79 | Φ109 Φ55 | |||
相间距离(mm) | 275±1.5 | ||||
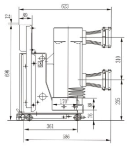
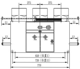
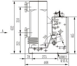
2固定式外形尺寸


图3 VYM-12固定式(相距210mm)外形图


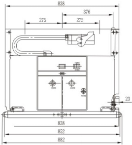
图4 VYM-12固定式(相距275mm)外形图
额定电流(A) | 1600 | 2000 | 2500 | 3150 | 4000 |
额定短路开断电流(kA) | 31.5、40 25、31.5、40 | 40 | |||
相间距离(mm) | 275±1.5 | ||||
机构顶部联锁L1(mm) | 50、120、150、200(联锁分左或右伸出,长度可按客户要求定制) | ||||
机构顶部联锁L2(mm) | 36、106、136、186(联锁分左或右伸出,长度可按客户要求定制) | ||||
1、真空灭弧室 断路器配用中间封接式陶瓷或玻璃真空灭弧室,采用铜铬触头材料,杯状纵磁场触头结构,其触头的电磨损速率小,电寿命长,触头的耐压水平高,介质绝缘强度稳定,弧后恢复速度快,截流水平底,开段能力强。
2、总体结构
断路器总体结构采用操动机构和灭弧室前后布置的形式,主导电回路部分为三相落地式结构,真空灭弧室纵向安装在一个管状的绝缘筒内,绝缘筒由环氧树脂采用APG工艺浇注而成,因而它特别抗爬电。这种结构设计大大地减小粉尘在灭弧室表面的聚积,不仅可以防止真空灭弧室受到外部因素的损坏,而且可以确保即使在湿热及严重污秽环境下也可对电压效应呈现出高阻态。断路器出厂时各电流等级均装有防尘绝缘筒盖,在实际使用中额定电流1250A及以下等级运 行时均可不必去除,额定电流1600A及以上等级运行时必须去除。
3、操动机构
操动机构是平面布置的弹簧储能式操动机构,具有手动储能和电动储能功能,操动机构置于灭弧室前的机构箱内,断路器的机构箱同时用作操动机构的构架。机构箱被四块中间隔板分成五个装配空间,期间分别装有操动机的储能部分,传动部分,脱扣部分和缓冲部分,前部设有合,分按钮,手动储能操作孔,弹簧储能状态指示牌,合分指示牌。这样,灭弧室和机构前后布置组成一个整体,使两者更加吻合,减少不必要的中间传动环节降低了能耗和噪声,使断路器的功能更加可靠。
4、该断路器具有寿命长,维护简单,无污染,无爆炸危险,噪音低等优点,比适用于频繁操作等条件比较苛刻的工作条件。断路器即可装入手车式开关柜。也可用于固定式开关柜。
©1996-2023晋ICP备07500050号 IM网首页 版权所有 河北天迈提供技术支持
©1996-2023 晋ICP备07500050号 IM网首页 版权所有
河北天迈提供技术支持